
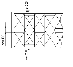
Рисунок 13.
Размещение и крепление транспортных пакетов огнеупорных изделий с обычным дверным проемом:
1 – ножка поддона, 2 – доска 50 х 150 х 2700 мм, 3 –доска 50 х (В) х 850 мм, 4 – доска 50 х 150 х 1200 мм, 5 — доска 50 х 130 х 2400 мм, 6 – доска ограждения, 7 – доска (t) х 130 х 200 мм
Транспортные пакеты в третьем и шестом поперечных рядах от торцов вагона устанавливают на подкладки из досок сечением 50 х 130 мм и длиной, равной ширине пакета. Подкладки размещают вдоль продольной оси вагона так, чтобы на них размещались крайние ножки поддонов.
Между транспортными пакетами пятого и шестого поперечных рядов, считая от торцов вагона, устанавливают упорную раму из досок сечением 50 х 130 мм и 25 х 130 мм. Раму сколачивают гвоздями 4 х 120 мм, в каждое соединение забивают по два гвоздя. Концы гвоздей загибают.
В междверном пространстве транспортные пакеты или ящики ограждают досками сечением не менее 40 х 130 мм. Доски прибивают к дверной коробке тремя гвоздями 4 х 80 мм.
В вагоне с уширенным дверным проемом размещают до 66 пакетов в два яруса и в два ряда по ширине вагона (рисунок 14). В междверном пространстве транспортные пакеты устанавливают в три ряда по ширине вагона и в два яруса .

Рисунок 14 – Размещение и крепление транспортных пакетов огнеупорных изделий с уширенным дверным проемом
1 – ножка поддона, 2 – доска 50 х (В) х 850 мм, 3 – доска ограждения
В междверном пространстве транспортные пакеты на поддонах второго яруса ограждают досками сечением не менее 40 х 130 мм. Доски прибивают к дверной коробке тремя гвоздями 4 х 80 мм.
Допускается размещение транспортных пакетов в междверном пространстве в один ярус. При этом транспортные пакеты должны располагаться симметрично продольной и поперечной осям вагона.
3.10 Транспортные пакеты керамической плитки, упакованные в картонные коробки, в вагоны грузят в два яруса (рисунок 15). Транспортные пакеты формируются на деревянных поддонах 1200 х 800 мм с помощью упаковочной полиэтиленовой ленты.

Рисунок 15 – Размещение и крепление траснпортных пакетов с керамической плиткой:
1 – подкладка-упор, 2 – доска ограждения, 3 – нижняя распорная рама, 4 – накладка-распорка
Под ножки транспортных пакетов в третьем и шестом поперечных рядах от торцов вагона устанавливают подставки-упоры из досок 50 х (160…180) х 850 мм (на 50 мм больше ширины пакета). В них должны упираться ножки поддонов соседних пакетов. Каждую подставку-упор прибивают к полу шестью гвоздями 6 х 150 мм.
В вагоне с обычным дверным проемом в междверном пространстве устанавливают в два яруса десять транспортных пакетов. Последний промежуток на два транспортных пакета раскрепляют понизу распорной рамой, а поверху — одной-двумя накладками-распорками.
В вагоне с уширенным дверным проёмом в междверном пространстве транспортные пакеты устанавливаютв три ряда по ширине вагона и в два яруса. Зазоры по длине и ширине вагона не раскрепляют.
По окончании погрузки дверной проём ограждают одной доской на уровне транспортных пакетов второго яруса. Для уширенного дверного проёма доски ограждения могут быть составными.
3.11 Транспортные пакеты, сформированные из расфасованного в тканевые мешки груза посредством многооборотных стропов типа МСК-1,1, размещают в вагонах в два яруса (рисунок 16).

Рисунок 16 — Размещение транспортных пакетов, сформированных из мешков (номерами показан порядок загрузки транспортных пакетов. В кружках — с раскладкой отдельными мешками)
Загрузка междверного пространства вагона частично производится отдельными мешками, количество которых должно быть кратным количеству мешков в транспортном пакете. При этом вместе с грузом в вагоне отправляется соответствующее количество комплектов стропов.
В вагоне размещают 61 пакет, из которых четыре в междверном пространстве в виде отдельных мешков. Общее количество мешков из расформированных транспортных пакетов составляет 84 шт.
В вагоне размешают 1281 мешков, из которых 1197 находятся в 57- транспортных пакетах из 21-го мешка каждый.
Порядок загрузки транспортных пакетов и мешков из расформированных транспортных пакетов показан на рисунке 16.