В настоящей главе определяются способы размещения и крепления в вагонах технических средств на колесном ходу (далее – «единица техники») при соблюдении следующих условий:
-
масса Q каждой единицы техники не должна превышать:
-
с обрезиненными колесами при наличии исправной тормозной системы – 24 т; при ее отсутствии – 7 т;
-
со стальными колесами при наличии исправной тормозной системы — 15 т; при ее отсутствии — 5 т.
-
наветренная поверхность каждой единицы техники, размещенной в вагоне, не должна превышать 3 м2 на 1 т ее массы;
-
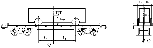
расстояние Lmin от плоскости, проведенной через центр тяжести единицы техники параллельно поперечной плоскости симметрии вагона, до ближайшей точки опирания единицы техники должно быть не менее высоты ее центра тяжести от пола вагона hцт, т.е. при L2 L1 и L1 hцт ;
-
расстояние В min от плоскости, проведенной через центр тяжести единицы техники параллельно продольной плоскости симметрии вагона, до ближайшей точки опирания единицы техники должно быть не менее 80 % высоты ее центра тяжести от пола вагона hцт, т.е. при В2В1 В1 0,8hцт (рисунок 1);

Рисунок 1.
-
высота общего центра тяжести груза над полом платформы должна быть не более 1,7 м при суммарной массе единиц техники до 40 т включительно, не более 1,5 м при суммарной массе единиц техники более 40 т;
1.2 Единицы техники размещают как на одиночных вагонах (рисунки 2-4, 8), так и на сцепах из них (рисунок 5).
В зависимости от массы, размеров и других конструктивных особенностей единиц техники их размещают горизонтально в один — два ряда по ширине вагона и в один-два яруса по высоте (рисунок 6), шасси грузовых автомобилей могут размещать наклонным способом (рисунок 7).
Рисунок 2
Рисунок 3

Рисунок 4

Рисунок 5

Рисунок 6

Рисунок 7

Рисунок 8
Если ширина единицы техники превышает ширину пола платформы, боковые борта платформы опускают и каждую опущенную секцию закрепляют в соответствии с требованиями главы 1 настоящих ТУ.
В полувагонах единицы техники размещают при условии, что ширина каждой единицы менее ширины дверного проема полувагонов при открытых дверях. В отдельных случаях по согласованию с грузополучателем допускается погрузка в полувагоны единиц техники, имеющих ширину до 2700 мм.
При установке нескольких единиц техники в наклонном или горизонтальном положении между ними должны быть оставлены зазоры не менее 270 мм со стороны единицы техники, находящейся над сцеплением и не закрепленной на вагоне от продольного перемещения, и не менее 50 мм — во всех остальных случаях (рисунок 5). Минимальный зазор между нижними частями единицы техники, установленной с опорой на другую единицу техники в наклонном положении, и ее рамой (полом кузова) должен быть не менее 50 мм (рисунок 7).
Не допускается размещение автокранов, экскаваторов, легковых автомобилей, грузовых автомобилей, укомплектованных специальным ценным оборудованием, над местом сцепления вагонов.
1.3 Единицу техники с металлическими колесами без гребней или с обрезиненными колесами при размещении на платформы устанавливают непосредственно на пол, если передаваемая ими нагрузка не превышает величин, приведенных в таблице 1 настоящей главы. Для колес с обрезиненными ободами или с пневматическими шинами учитывают ширину обода.
Ширину обода двойного (спаренного) колеса определяют как удвоенную ширину одной из его единиц. Центром опоры такого колеса считается его середина.
1.4 Если нагрузки, передаваемые отдельными колесами единицы техники на пол вагона, превышают величины, приведенные в таблице 1 настоящей главы, то под эти колеса должны быть установлены продольные деревянные подкладки (доски). Концы всех подкладок затесывают под углом 25 — 35о для облегчения наезда на них колес единиц техники.
Единицу техники с имеющими гребни колесами при размещении на платформе устанавливается во всех случаях на продольные подкладки. Размеры подкладок в зависимости от нагрузки и расположения колес по ширине платформы приведены в таблице 2 настоящей главы. При этом каждое колесо в зависимости от ширины устанавливают:
— при ширине его обода до 250 мм включительно на одну продольную подкладку;
— при ширине обода от 251 до 400 мм включительно — на две;
— при ширине обода более 400 мм — на три подкладки.
Допускается устанавливать на одну подкладку два колеса. При этом длина подкладки должна быть увеличена по сравнению с размерами, указанными в таблице 2 настоящей главы, не менее чем в 2 раза. Число гвоздей, которыми закрепляют каждую подкладку, принимают в зависимости от нагрузки, передаваемой обоими колесами.
Продолжение инструкции: