4.1 Контейнеры специализированные – контейнеры, предназначенные для перевозки грузов конкретных наименований , однородных по физико-химическим свойствам и условиям перевозок.
Предъявляемые к перевозке спецконтейнеры должны отвечать требованиям соответствующего стандарта либо технических условий, согласованных с МПС России в установленном порядке.
К перевозке принимаются спецконтейнеры с исправным корпусом, опорными, строповочными и запорными устройствами. На корпусе должны быть нанесены: обозначение типа спецконтейнера; наименование владельца; инвентарный номер; место, месяц и год изготовления; место, месяц и год последнего капитального ремонта; масса брутто; тара.
Загрузочные и разгрузочные люки груженых и порожних спецконтейнеров должны быть плотно закрыты крышками, исключающими высыпание, течь груза в процессе перевозки.
Перед погрузкой в вагон корпус каждого спецконтейнера и его опорные поверхности должны быть очищены от остатков груза, грязи, снега, льда и использованных ранее средств крепления (проволоки, скоб и т. д.); имеющиеся на корпусе порожнего спецконтейнера откидные или съемные стенки и крышки должны быть установлены в транспортное положение без перекосов и зазоров, зафиксированы стопорами и запорами в соответствии с его инструкцией по эксплуатации.
На универсальных платформах с деревометаллическим настилом пола в случае возможного контакта с ним спецконтейнера под опорные устройства спецконтейнера должны быть уложены подкладки из необрезных досок или горбыля толщиной не менее 25 мм, шириной 150…200 мм и длиной, равной ширине платформы. Каждый конец доски прибивают к полу двумя гвоздями 5х100 мм.
4.2 Размещение и крепление специализированных контейнеров для сыпучих неслеживающихся грузов
4.2.1 Специализированный контейнер СК-1-3,4
Контейнер (рисунок 18) представляет собой сварную металлическую емкость призматической формы.

Рисунок 18 – спецконтейнер СК–1–3,4
Масса брутто контейнера – 3400 кг, масса тары – 300 кг. Конструкция спецконтейнера СК-1-3.4 разработана институтом ВНИИПТМАШ, Москва. Изготовитель — Верещагинский путевой ремонтно-механический завод.
В верхней части контейнера расположен люк для его загрузки или разгрузки. Крышка люка имеет резиновое уплотнение, два пломбируемых замка кулачкового типа и один клипсовый замок для затяжки люка.
Строповку спецконтейнера и его крепление в вагоне осуществляют за четыре рым-болта, расположенных по его углам.
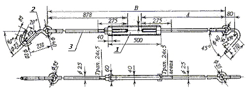
4.2.1.1 На универсальной платформе груженые специализированные контейнеры СК-1-3,4 размещают в количестве 20 штук (рисунок 19).

Рисунок 19
1 – упорный брусок; 2 – увязка; 3 – растяжка
Вплотную к торцовым бортам платформы укладывают упорные деревянные бруски 1 сечением не менее 100 х 100 мм, длиной 2700 мм. Каждый брусок прибивают к полу 10 гвоздями диаметром 6 мм длиной 150 мм. В торцовые стоечные скобы устанавливают короткие деревянные стойки.
Спецконтейнеры, стоящие у торцовых бортов, увязывают между собой и с стоящими за ними спецконтейнерами за рым-болты увязками 2 из проволоки диаметром 5 мм в 4 нити. Эти спецконтейнеры дополнительно закрепляют растяжками 3 из проволоки диаметром 6 мм в 6 нитей за боковые стоечные скобы платформы.
4.2.1.2 На универсальной платформе порожние спецконтейнеры размещают комплектом из 20 штук по схеме размещения груженых спецконтейнеров (рисунок 19) без дополнительного крепления торцовых бортов и укладки торцовых брусьев, без проволочных растяжек.
Увязки порожних спецконтейнеров выполняют из проволоки диаметром 5 мм в 2 нити.
4.2.1.3.В полувагоне груженые спецконтейнеры устанавливают в один ярус комплектом из 18 штук (рисунок 20).

Рисунок 20
1 – упорный брусок; 2 – увязка; 3 – распорная рама; 4 – скоба
Перед погрузкой, вплотную к торцовым порожкам на пол полувагона устанавливают на ребро упорные бруски 1 сечением не менее 60х100 мм, длиной 2850 мм.
Контейнеры устанавливают от торцовых дверей к середине в два ряда по ширине вагона. Образующееся свободное пространство в середине вагона заполняют распорной рамой 3 из брусков сечением не менее 100 х 100 мм. Упорные и распорные бруски рамы соединяют строительными скобами 4 диаметром 8 мм длиной 200 мм.
Контейнеры, установленные у торцовых дверей полувагона, соединяют между собой и с соседними контейнерами за рым-болты увязками 2 способом аналогичным размещению контейнеров на универсальной платформе (рисунок 19).
4.1.2.4 В полувагонах порожние специализированные контейнеры размещают в количестве 36 штук в два яруса (рисунки 21 и 22). Контейнеры второго яруса должны быть установлены ножками в гнезда нижестоящих контейнеров.

Рисунок 21
1 – упорный брусок; 2 – увязка

Рисунок 22
1 – упорный брусок; 2 – увязка; 3 – распорная рама; 4 – скоба
Перед погрузкой у торцовых порожков на пол полувагона устанавливают на ребро упорный брусок 1 сечением не менее 60 х 100 мм, длиной 2850 мм. Контейнеры размещают от торцовых дверей к середине в два ряда по ширине вагона. Образующееся свободное пространство в середине вагона заполняют распорной рамой 3 из брусьев сечением 100 х 100 мм. Продольные и поперечные бруски рамы соединяют строительными скобами 4 диаметром 8 мм длиной 200 мм.
Контейнеры второго яруса, стоящие у торцовых дверей, а при наличии промежутка, также стоящие в середине полувагона увязывают между собой и с соседними контейнерами увязками 2 из проволоки диаметром 5 мм в 4 нити.
4.2.2 Специализированный контейнер СК-1-3.4 ММУ
Контейнер (рисунок 23) состоит из корпуса, включающего каркас, ловители для установки спецконтейнеров несколькими ярусами, опор и откидной крышки, шарнирно соединенной с корпусом.

Рисунок 23
Масса брутто спецконтейнера – 7000 кг, масса тары – 540 кг.
Загрузка производится сверху при открытой крышке; разгрузка — опрокидыванием контейнера при открытой и закрепленной на корпусе крышке.
Калькодержатель — ЗАО «ПромтрансНИИпроект», г.Москва.
Перевозку контейнеров осуществляют в полувагонах в один ярус в количестве 9 штук (рисунок 24).

Рисунок 24
1 –упорный брусок, 2 – растяжка, 3 – увязка
Перед погрузкой у одного торцового порожка полувагона укладывают упорный брусок 1 сечением не менее 200 х 200 мм, длиной 2850 мм. Допускается упорный брусок выполнять составным по ширине из двух частей толщиной не менее 100 мм, соединенных между собой гвоздями. Контейнеры размещают вплотную к бруску симметрично относительно продольной плоскости симметрии полувагона. Зазор между спецконтейнером и противоположным торцовым порожком заполняют набором брусков сечением не менее 100 х 200 мм, длиной 2850 мм, соединенных между собой гвоздями.
Контейнеры соединяют между собой увязками 3 из проволоки диаметром 6 мм в четыре нити и крепят растяжками 2 из проволоки диаметром 6 мм в шесть нитей.
4.2.3 Специализированные контейнеры СК-1-5, СК-3-5 (рисунок 25).

Рисунок 25
1 – разгрузочный люк, 2 – загрузочный люк
Строповку спецконтейнеров и их крепление в вагоне осуществляют за четыре рым-болта, расположенных по углам спецконтейнера.
Параметры и конструкция контейнеров регламентируются ГОСТ 19667 и ГОСТ 19668 и соотвествуют основным параметрам универсального среднетоннажного контейнера типа УУК-5У (ГОСТ 26380).
Масса брутто специализированных контейнеров – 5000 кг, масса тары – 700 кг.
Калькодержатель документации — Промтрансниипроект, Москва.
4.2.3.1 Груженые специализированные контейнеры перевозят в полувагонах в количестве 11 штук (рисунок 26).

Рисунок 26
1, 2 – увязки
Размещение контейнеров производят длинной стороной вдоль полувагона по два по ширине в направлении от торцовых дверей к середине. В середине полувагона один контейнер размещают длинной стороной поперек вагона.
Контейнеры, стоящие у дверей полувагона, соединяют между собой с соседними контейнерами за рым-болты увязками 1 из проволоки диаметром 5 мм в четыре нити. Контейнер, стоящий в середине полувагона соединяют за рым-болты с соседними контейнерами увязками 2 из проволоки диаметром 5 мм в две нити.
4.2.3.2 Порожние специализированные контейнеры перевозят на платформах и в полувагонах в соответствии с требованиями раздела 2 настоящей главы без дополнительного крепления.
4.2.4 Специализированный контейнер КИУ-5М для извести.
Контейнер представляет собой жесткую сварную металлическую емкость (рисунок 27). Габаритные размеры контейнера: длина 2110 мм, ширина 1380 мм, высота 1910 мм Масса брутто — 5000 кг, масса тары — 600 кг.
В верхней части расположен загрузочный люк, на короткой торцовой стенке – разгрузочный люк. Крышки люков имеют уплотнения, пломбируемые замки кулачкового типа. Строповку контейнера и его крепление в вагоне осуществляют за четыре рым-болта.

Рисунок 27 – спецконтейнер КИУ – 5М
1 – загрузочный люк, 2 – разгрузочный люк, 3 – рым-болт
Контейнер разработан Петербургским государственным университетом путей сообщения (СПб, Московский пр., 9).
4.2.4.1 Груженые специализированные контейнеры на универсальных платформах размещают в количестве 12 штук (рисунок 28).

Рисунок 28
1 –упорный брусок; 2 – стойка; 3 – распорный брусок;
4 – растяжка
Перед погрузкой вплотную к торцовым бортам платформы укладывают деревянные бруски 1 сечением не менее 100х100 мм, длиной 2700 мм. Каждый брусок крепят к полу 35 гвоздями диаметром 6мм длиной 150 мм. В торцовые стоечные скобы устанавливают короткие деревянные стойки 2. Погрузку производят в направлении от торцового борта к середине. Между группой контейнеров и бруском у противоположного торцового борта монтируют распорную раму, состоящую из одного упорного 1 и четырех распорных 3 брусков того же сечения. Каждый брусок крепят к полу платформы не менее чем четырьмя гвоздями диаметром 6 мм длиной 150 мм. Контейнеры, стоящие у торцовых бортов дополнительно закрепляют за рым-болты растяжками 4 из проволоки диаметром в 6 мм в 6 нитей.
4.2.4.2 Порожние специализированные контейнеры размещают на универсальных платформах в количестве 12 штук. Контейнеры размещают симметрично относительно продольной и поперечной плоскостям симметрии платформы без дополнительного крепления торцовых бортов, укладки упорных и распорных брусьев и установки растяжек.
4.2.5 Специализированный контейнер КРЦ-2.
Габаритные размеры контейнера соответствуют типоразмеру 1С универсальных контейнеров. Масса брутто специализированного контейнера — 24000 кг, масса тары — 4000 кг. Контейнер (рисунок 29) имеет универсальные фитинговые узлы, три загрузочных люка, находящиеся на верхней плоскости контейнера, нижние разгрузочные люки, крышки с замками с пружинным прижимом.

Рисунок 29 – спецконтейнер КРЦ – 2
1 – верхний загрузочный люк, 2 – нижний разгрузочный люк, 3 – замок, 4 – прижим пружинный, 5 – вал аварийной разгрузки,6 – пломба
Строповку контейнеров и его крепление на подвижном составе осуществляют за верхние фитинги.
4.2.5.1 Размещение и крепление контейнеров на универсальной платформе производят следующим порядком (рисунок 30).

Рисунок 30
1 – брусок упорный; 2 – брусок распорный; 3 – стойка; 4 – брусок распорный
На середину платформы в ее поперечной плоскости симметрии укладывают упорный брусок 1 шириной 125 – 150 мм, высотой не менее 60 мм, длиной, равной ширине платформы. Брусок прибивают к полу платформы гвоздями диаметром 6 мм длиной, превышающей высоту бруска на 50 мм: в летнее время – 24 гвоздями, в зимнее время – 32 гвоздями. Вплотную к поперечному бруску устанавливают два контейнера симметрично относительно продольной плоскости симметрии платформы. Вплотную к торцовым бортам платформы укладывают бруски 1, которые прибивают к полу платформы каждый восемью гвоздями диаметром 6 мм. В распор между этими брусками и фитингами контейнера устанавливают по два распорных бруска 2 сечением не менее 100 х 60 мм, которые прибивают к полу платформы каждый четырьмя гвоздями. Длину распорных брусков уточняют по месту. В торцовые стоечные скобы устанавливают короткие стойки 5.
От поперечных перемещений контейнер закрепляют четырьмя продольными распорными брусками 4 высотой не менее 60 мм, длиной не менее 400 мм, которые устанавливают в зазор между фитингами контейнеров и боковыми бортами платформы. Ширину брусков уточняют по месту. Бруски прибивают к полу платформы каждый двумя гвоздями диаметром 6 мм.
Допускается крепить контейнеры взамен упорных и распорных брусков четырьмя растяжками из проволоки диаметром 6 мм в четыре нити (рисунок 31).

Рисунок 31
1 – брусок распорный; 2 – растяжка
Растяжки увязывают за вторые и четвертые стоечные скобы платформы и отверстия в верхних фитингах контейнера.
4.2.5.2 На специализированной платформе для перевозки крупнотоннажных контейнеров размещение специализированных контейнеров КРЦ-2 осуществляется в соответствии с общими требованиями раздела 3 настоящей главы и схемами по рисункам 11 и 12. При этом на платформе должны быть размещены только груженые либо только порожние специализированные контейнеры.
Разница в массе брутто контейнеров, погруженных на платформу длиной базы 9294 или 9720 мм должна быть не более 15 т.
4.2.6 Специализированные контейнеры СК-2-3.2, СК-2-5.
Контейнеры предназначены для перевозки концентратов руд цветных металлов (олова, цинка, меди и др.), а также других загустевающих и слеживающихся грузов. Контейнер представляет собой металлический усеченный конус со съемной крышкой, которая крепится к корпусу контейнера тремя эксцентриковыми замками (рисунок 32).
Рисунок 32 – Специализированные контейнеры СК-2-3.2, СК-2-5
Для герметизации контейнера крышки снабжены уплотнительными резиновыми прокладками. Верх спецконтейнера имеет жесткий наружный обод с диаметрально расположенными двумя отверстиями, используемыми для строповки крюками. По всему периметру обода расположены отверстия предназначенные для соединения контейнеров между собой с помощью штатных дугообразных скоб, а также для крепления на платформе.
Параметры контейнеров приведены в таблице 2.
Таблица 2
|
Спецконтейнер |
Масса брутто, кг |
H, мм |
D, мм |
d, мм |
|
СК – 2 – 3,2 |
3200 |
1200 |
1494 |
1050 |
|
СК – 2 – 5 |
5000 |
1905 |
1514 |
1082 |
Конструкция контейнера СК-2-3,2(5) разработана институтом «Гипроникель», г. Санкт-Петербург.
4.2.6.1 На универсальной платформе груженые специализированные контейнеры размещают симметрично относительно продольной и поперечной плоскостей симметрии платформы вплотную друг к другу, в два ряда по ширине платформы. При массе брутто контейнера свыше 4,5 до 5 т включительно на платформе размещают 12 контейнеров (рисунок 33 ); при массе брутто свыше 4,2 до 4,5 т включительно — 14 шт. (рисунок 34); при массе брутто свыше 3,5 до 4,2 т включительно — 16 шт. (рисунок 35 ) и при массе брутто 3,5 т — 18 контейнеров (рисунок 36 ).

Рисунок 33
1- растяжка тип 1; 2- упорный брусок; 3- скоба; 4- инвентарная стяжка

Рисунок 34
1- растяжка тип 2; 2, 4 – растяжка тип 1; 3- брусок

Рисунок 35
1- растяжка тип 2; 2- растяжка тип 1; 3- брусок упорный; 4- скоба; 5- инвентарная стяжка

Рисунок 36
-
растяжка тип 1; 2,5 – растяжка тип 2; 3- брусок; 4- скоба
Груженые специализированные контейнеры закрепляют восемью инвентарными металлическими растяжками I и II типов (рисунок 37, таблица 3).При установке растяжки нижний ее крюк пропускают через боковую стоечную скобу платформы, а верхний – в отверстия обода контейнера.

Рисунок 37 – инвентарная растяжка
1 –стяжная муфта; 2 – крюк; 3 – тяга
Таблица 3
|
Тип растяжки |
Размеры , мм |
||
|
|
A |
B max |
B min |
|
I |
460 |
1730 |
1330 |
|
II |
1020 |
2290 |
1890 |
Контейнеры, закрепленные инвентарными растяжками, соединяют между собой в поперечном направлении четырьмя инвентарными металлическими стяжками (рисунок 38), крюки которых пропускают через отверстия в ободах контейнеров.

Рисунок 38 – инвентарная стяжка
1 – стяжная муфта; 2 – крюк
Остальные контейнеры, размещенные на платформе, должны быть соединены между собой в поперечном и продольном направлениях штатными скобами (рисунок 39), устанавливаемыми в процессе погрузки.

Рисунок 39 – штатная скоба
Контейнеры, размещенные у торцовых бортов платформы, дополнительно закрепляют упорными брусками сечением не менее 100 х 100 мм, длиной 2700 мм, которые укладывают на пол платформы вплотную к нижней части контейнеров и прибивают к полу каждый 10 гвоздями диаметром 6 мм длиной 150 мм.
При размещении на платформе 18 специализированных контейнеров допускается упорные бруски укладывать в распор между контейнерами и торцовыми бортами платформы без крепления их гвоздями. При этом торцовые борта платформы, не оборудованные клиновыми запорами, должны быть подкреплены короткими деревянными стойками.
Все инвентарные растяжки и стяжки должны иметь маркировку с указанием типа и даты последнего испытания. Маркировка проставляется на стяжной муфте. Испытание растяжек и стяжек производят растягивающей нагрузкой 5 т в течение 10 минут. Нагрузку прикладывают к крюкам растяжки или стяжки. Ответственным за прочность растяжек является грузоотправитель.
4.2.6.2 В полувагоне с торцовыми дверями груженые специализированные контейнеры размещают в один ярус комплектом из 15 штук, в два ряда по ширине вагона в шахматном порядке: в одном ряду размещают восемь контейнеров, в другом — семь (рисунок 40).

Рисунок 40
Люки и двери полувагона должны быть закрыты на запоры, запоры люков дополнительно увязаны за кронштейны проволокой диаметром 5 – 6 мм с закруткой концов с помощью воротка не менее чем на три оборота. Контейнеры устанавливают вплотную друг к другу. Верх контейнеров выравнивают, используя подкладки из досок. Крайние спецконтейнеры у дверей упирают ободом в многооборотный инвентарный упор (рисунки 41 и 42), навешиваемый на верхнюю обвязку боковых стен полувагона на уровне обода контейнера. При этом средние дверные петли на угловых стойках полувагона должны заходить внутрь упора.
При установке контейнеры №№ 1 и 2, №№ 13 и 14 соединяют с помощью скобы (рисунок 39). Контейнеры №№3 и 15 увязывают проволокой диаметром 6 мм в четыре нити через скобу и отверстие в их ободе. Взамен скобы с увязкой допускается увязка трех контейнеров в торцах полувагона проволокой диаметром 6 мм в четыре нити.

Рисунок 41 – многооборотный упор для специализированных контейнеров СК-2-3,2

Рисунок 42 — многооборотный упор для специализированных контейнеров СК 2 – 5
Допускается замена металлических упоров деревянными такой же длины из круглого хвойного леса толщиной в тонком конце не менее 180..200 мм либо бруса сечением не менее 150х150 мм. Упор подвешивают на торцовые двери полувагона на подвесках из проволоки диаметром от 5 до 6 мм в четыре нити на высоте от уровня пола: 900 мм – для контейнеров СК-2-3,2; 1600 мм – для контейнеров СК-2-5. Концы проволоки пропускают через лесные скобы на дверях или через отверстия в косынках угловых стоек (рисунок 43)

Рисунок 43 – установка упора из лесоматериалов
1 – подвеска; 2 – контейнер; 3 – упор
При отсутствии лесных скоб и косынок с отверстиями деревянный упор подвешивают аналогично металлическому с помощью подвесок (рисунки 41 и 42).
4.2.6.3 В полувагонах с торцовыми стенами, длиной кузова 12,7 м, объемом кузова от 76 до83 м3 размещают 16 груженых специализированных контейнеров без установки торцовых упоров (рисунок 44). При этом крепление трех контейнеров в торцах полувагона производят аналогично креплению в полувагонах с дверями.

Рисунок 44 – Размещение контейнеров в полувагоне объемом кузова от 76 до 83 м3
1 – увязка
4.2.6.4 В полувагонах с торцовыми стенами, длиной кузова 12,7 м, объемом кузова 85 м3 груженые спецконтейнеры размещают аналогично 4.2.6.4 без увязки торцевых контейнеров (рисунок 45).

Рисунок 45 – Размещение контейнеров в полувагоне объемом кузова 85м3
4.2.6.5 Порожние специализированные контейнеры и крышки к ним перевозят в полувагонах пакетами (рисунки 46, 47).

Рисунок 46
1 – пакет порожних контейнеров, 2 – пакет крышек контейнеров
Пакет контейнеров СК-2-3,2 формируют из 9 штук, пакет крышек к ним – из 8 штук. Пакет контейнеров СК-2-5 формируют из 5штук, пакет крышек к ним – из 11 штук. Пакеты 1 контейнеров накрывают крышкой. Контейнеры и крышки в пакете соединяют между собой четырьмя резьбовыми стержнями диаметром 20 мм, пропускаемыми в отверстия ободов контейнеров и в крышках. Допускается взамен стержней скреплять контейнеры увязками из проволоки диаметром 6 мм в четыре нити. Инвентарные растяжки и дугообразные скобы увязывают проволокой в отдельный пакет и укладывают на пол вагона. В полувагоне размещают 11 пакетов контейнеров СК-2-3,2 и 11 пакетов крышек к ним (рисунок 46), либо 13 пакетов контейнеров СК-2-5 и шесть пакетов крышек (рисунок 47).

Рисунок 47
1 – пакет порожних контейнеров, 2 – пакет крышек контейнеров
Торцовые двери полувагона ограждают многооборотным металлическим упором, навешиваемым на верхнюю обвязку его боковых стенок.
4.2.7 Специализированный контейнер Гипроцветмета для рудного концентрата.
Контейнер применяют для перевозки концентратов руд цветных металлов (олова, цинка, меди и др.), а также других слеживающихся грузов. Контейнер представляет собой металлический усеченный конус без крышки (рисунок 48).

Рисунок 48 – Спецконтейнер Гипроцветмета
Габаритные размеры контейнера: ширина – 1630, высота – 1780; диаметр обода – 1495 мм. Масса брутто контейнера – 5000 кг; масса тары – 540 кг.
Верх спецконтейнера имеет жесткий наружный обод с диаметрально расположенными двумя отверстиями, используемыми для строповки крюками. По всему периметру обода расположены отверстия, предназначенные для соединения контейнеров между собой с помощью штатных дугообразных скоб, а также для крепления контейнеров на платформе.
Размещение и крепление контейнеров производится аналогично размещению специализированных контейнеров СК-2-5.
4.2.8 Специализированные контейнеры СК-3-1,5 и КШМК-5 (рисунок 49).

Рисунок 49
Габаритные размеры контейнеров: длина 1420 мм, ширина 1350 мм, высота 1183 мм Масса брутто и масса тары соответственно: СК-3-1,5 – 3000 кг и 400 кг; КШМК-5 – 5000 кг и 425 кг.
Спецконтейнеры СК-3-1.5 и КШМК-5 имеют складной каркас и деревянную обшивку. Строповку спецконтейнера и его крепление в вагоне осуществляют за четыре грузовые серьги, расположенные в середине спецконтейнера. Спецконтейнер СК-3-1.5 является модификацией спецконтейнера КШМК-5.
Масса брутто: специализированный контейнер КШМК-5 – 5000 кг, специализированный контейнер СК-3-1.5 — 3000 кг; масса тары соответственно 425 и 400 кг.
Продолжение инструкции: